Bissell Little Green 1400 7 Made from at least 50 recycled plastics.

Bissell Little Green 1400 7 Bissell Little Green Model 1400 7 Solution Tank Clean Tank Replacement Part Used Bissell Compras Cosas Para Comprar

Bissell Little Green Model 1400 7 Solution Tank Clean Tank Replacement Part Used Bissell Compras Cosas Para Comprar

Bissell Little Green 1400 7 Bissell Little Green Multi Purpose Compact Deep Cleaner 1400 7 Really Love It H Portable Carpet Cleaner Carpet Cleaning Machines Carpet Cleaning Hacks

Bissell Little Green Multi Purpose Compact Deep Cleaner 1400 7 Really Love It H Portable Carpet Cleaner Carpet Cleaning Machines Carpet Cleaning Hacks

Bissell Little Green 1400 7 Bissell Little Green 1400 7 Spot Stain Carpet Cleaning Machine Used In Box 46 00 In 2020 Carpet Cleaning Machines Carpet And Upholstery Cleaner How To Clean Carpet

Bissell Little Green 1400 7 Spot Stain Carpet Cleaning Machine Used In Box 46 00 In 2020 Carpet Cleaning Machines Carpet And Upholstery Cleaner How To Clean Carpet

Bissell Little Green 1400 7 Bissell Little Green Model 1400 7 Solution Tank Clean Tank Replacement Part Bissell Compras

Bissell Little Green Model 1400 7 Solution Tank Clean Tank Replacement Part Bissell Compras

Bissell Little Green 1400 7 Pin On Other Items For Sale In My Store

Pin On Other Items For Sale In My Store

Bissell Little Green 1400 7 Pin On Carpet Cleaner

Pin On Carpet Cleaner

Bissell Little Green 1400 7 Pin On Carpet Cleaner

Bissell little green 1400 7 Bissell 1400 little green parts.

Bissell little green 1400 7. Only 5 left in stock order soon. Little green 1400 series. Bissell littlegreen 1400 series pdf user manuals. Bissell trigger valve tube assembly not shown 0.

Bissell 1400 little green parts products fit all bissell models starting with 1400 locate the item you need in the diagram below then click it in the list of products below diagram for full description price. Thanks for buying a bissell little green we re glad you purchased a bissell little green compact deep cleaner. Everything we know about floor care went into the design and construction of this handy high tech home cleaning system. 1400 7 vacuum cleaner pdf manual download.

Bissell 1400 1425 cap and insert assy little green. Bissell 603 5029 pump little green 1400 1425. Power cord not shown 1. More buying choices 6 42 4 used new offers bissell steam vac 3 length tough.

Bissell Little Green 1400 7 Bissell 1400 B Little Green Green Handheld Cleaner Afflink Portable Carpet Cleaner Carpet Cleaners Pet Stains

Bissell 1400 B Little Green Green Handheld Cleaner Afflink Portable Carpet Cleaner Carpet Cleaners Pet Stains

Bissell Little Green 1400 7 Pro Heat Hot Water New Mini Little Green Carpet Cleaner Pet Wet Deep Dirt Dog Odor Stain Clean Suction Discoloration Urin Honey Carpe

Pro Heat Hot Water New Mini Little Green Carpet Cleaner Pet Wet Deep Dirt Dog Odor Stain Clean Suction Discoloration Urin Honey Carpe

Bissell Little Green 1400 7 Bissell Spot Lifter Cordless Carpet Cleaner 1715 New 38 85 Carpet Cleaner Ideas Of Car In 2020 Carpet Cleaners Deep Carpet Cleaning White Bread Machine Recipes

Bissell Spot Lifter Cordless Carpet Cleaner 1715 New 38 85 Carpet Cleaner Ideas Of Car In 2020 Carpet Cleaners Deep Carpet Cleaning White Bread Machine Recipes

Bissell Little Green 1400 7 Bissell Little Green 1400 7 Spot Stain Carpet Cleaning Machine Used In Box 46 00 In 2020 Carpet Cleaning Machines Carpet And Upholstery Cleaner How To Clean Carpet

Bissell Little Green 1400 7 Spot Stain Carpet Cleaning Machine Used In Box 46 00 In 2020 Carpet Cleaning Machines Carpet And Upholstery Cleaner How To Clean Carpet

Bissell Little Green 1400 7 Bissell 2037152 Hose Flex Handle Assembly Bissell Hose Handle

Bissell 2037152 Hose Flex Handle Assembly Bissell Hose Handle

Bissell Little Green 1400 7 Hoover Power Scrub Deluxe Carpet Cleaner Machine And Upright Shampooer In 2020 How To Clean Carpet Carpet Cleaners Carpet Cleaner Homemade

Hoover Power Scrub Deluxe Carpet Cleaner Machine And Upright Shampooer In 2020 How To Clean Carpet Carpet Cleaners Carpet Cleaner Homemade

Bissell Little Green 1400 7 Diagram Of Nissan 1400 Gearbox 10 Nissan Nissan Titan Xd Pick Up Nissan

Diagram Of Nissan 1400 Gearbox 10 Nissan Nissan Titan Xd Pick Up Nissan

Bissell Little Green 1400 7 Vintage Regina Floor Cleaner Multi Tool Model P700a 6 A6 59 99 Carpet Cleaner Ideas Of Carpet Clean In 2020 Floor Cleaner Carpet Cleaners Portable Carpet Cleaner

Vintage Regina Floor Cleaner Multi Tool Model P700a 6 A6 59 99 Carpet Cleaner Ideas Of Carpet Clean In 2020 Floor Cleaner Carpet Cleaners Portable Carpet Cleaner

Bissell Little Green 1400 7 Kirby Vacuum Carpet Shampoo Cleaning System For G Series Models 293001 In 2020 Carpet Shampoo Kirby Vacuum Carpet Cleaners

Kirby Vacuum Carpet Shampoo Cleaning System For G Series Models 293001 In 2020 Carpet Shampoo Kirby Vacuum Carpet Cleaners

Bissell Little Green 1400 7 Sebo Duo 84 Brush Machine Dry Carpet Cleaner Made In Germany 269 99 Carpet C Brush In 2020 Carpet Cleaners Cleaners Cleaning Wood

Sebo Duo 84 Brush Machine Dry Carpet Cleaner Made In Germany 269 99 Carpet C Brush In 2020 Carpet Cleaners Cleaners Cleaning Wood

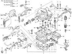
Bissell Little Green 1400 7 Nissan 1400 Carburetor Diagram 5 Nissan Carburetor Pick Up Nissan

Nissan 1400 Carburetor Diagram 5 Nissan Carburetor Pick Up Nissan

Bissell Little Green 1400 7 Nissan 1400 Carburetor Specs Nissan Ignition Timing Carburetor

Nissan 1400 Carburetor Specs Nissan Ignition Timing Carburetor

Bissell Little Green 1400 7 Kirby Foam Carpet Fabric Cleaner Carpet Fabric Fabric Cleaners Foam

Kirby Foam Carpet Fabric Cleaner Carpet Fabric Fabric Cleaners Foam

Bissell Little Green 1400 7 Kenmore Magic Blue 721 Compact Canister Vacuum Cleaner With Hose Wand Power Head Canister Vacuum Canister Vacuum Cleaner Vacuum Cleaner

Kenmore Magic Blue 721 Compact Canister Vacuum Cleaner With Hose Wand Power Head Canister Vacuum Canister Vacuum Cleaner Vacuum Cleaner

Bissell Little Green 1400 7 Http Cheune Com Store Nissan Automotive Engineering Carburetor

Http Cheune Com Store Nissan Automotive Engineering Carburetor

Bissell Little Green 1400 7 Diagram Of Nissan 1400 Gearbox 6 Nissan Nissan Skyline Gt Carburetor

Diagram Of Nissan 1400 Gearbox 6 Nissan Nissan Skyline Gt Carburetor

Bissell Little Green 1400 7 Nissan 1400 Carburetor Problems Nissan Carburetor Automotive Repair

Nissan 1400 Carburetor Problems Nissan Carburetor Automotive Repair

Bissell Little Green 1400 7 Airbags Serve As A Supplemental Restraint System Srs Which Is Secondary To The Seatbelt System When A Crash Ha Travel Illustration Time Travel Control Unit

Airbags Serve As A Supplemental Restraint System Srs Which Is Secondary To The Seatbelt System When A Crash Ha Travel Illustration Time Travel Control Unit

Bissell Little Green 1400 7 Nissan 1400 Carburetor Specs 3 Nissan Carburetor Nissan Maxima

Nissan 1400 Carburetor Specs 3 Nissan Carburetor Nissan Maxima

Bissell Little Green 1400 7 Medela Symphony Double Pumping System Kit New Open Box Medela Medela Symphony Medela Symphony

Medela Symphony Double Pumping System Kit New Open Box Medela Medela Symphony Medela Symphony

Bissell Little Green 1400 7 Pin On Other Items For Sale In My Store

Pin On Other Items For Sale In My Store

Bissell Little Green 1400 7 8 Honda Accord Lx Engine Diagram In 2020 Honda Accord Honda Accord Lx Honda Prelude

8 Honda Accord Lx Engine Diagram In 2020 Honda Accord Honda Accord Lx Honda Prelude

Bissell Little Green 1400 7 Nintendogs Chihuahua Friends Nintendo Ds Game 2005 Ebay In 2020 Nintendo Ds Nintendo Ds Games Ds Games

Nintendogs Chihuahua Friends Nintendo Ds Game 2005 Ebay In 2020 Nintendo Ds Nintendo Ds Games Ds Games

Bissell Little Green 1400 7 The 12 Best Obd1 Honda Wiring Diagram For You Https Bacamajalah Com The 12 Best Obd1 Honda Wiring Diagram For You Diagr Honda Accord Honda Honda Civic

The 12 Best Obd1 Honda Wiring Diagram For You Https Bacamajalah Com The 12 Best Obd1 Honda Wiring Diagram For You Diagr Honda Accord Honda Honda Civic

Bissell Little Green 1400 7 Pin On Other Items For Sale In My Store

Pin On Other Items For Sale In My Store

Bissell Little Green 1400 7 The Peanut Shell Fox Knit Plush Stuffed Animal Thepeanutshell Animals Plush Stuffed Animals Pet Toys

The Peanut Shell Fox Knit Plush Stuffed Animal Thepeanutshell Animals Plush Stuffed Animals Pet Toys

Bissell Little Green 1400 7 Pin On Ebay

Pin On Ebay

Bissell Little Green 1400 7 Mikasa China L2201 Ivory Florentine Gravy Boat And Under Tray Ebay Mikasa China Mikasa Fine China Gravy Boat

Mikasa China L2201 Ivory Florentine Gravy Boat And Under Tray Ebay Mikasa China Mikasa Fine China Gravy Boat

Bissell Little Green 1400 7 23 Best Sample Of Automotive Wiring Diagram Design Bacamajalah In 2020 Ezgo Golf Cart Golf Carts Electric Golf Cart

23 Best Sample Of Automotive Wiring Diagram Design Bacamajalah In 2020 Ezgo Golf Cart Golf Carts Electric Golf Cart

Bissell Little Green 1400 7 New Open Box Cuisinart Ice 30bc 2 Quart Ice Cream Maker Cuisinart Cuisinart Ice Cream Maker Ice Cream Maker Cuisinart Ice Cream

New Open Box Cuisinart Ice 30bc 2 Quart Ice Cream Maker Cuisinart Cuisinart Ice Cream Maker Ice Cream Maker Cuisinart Ice Cream

Bissell Little Green 1400 7 Homemade Carpet Shampoo Solution June Cleaver St Century Style Carpetcleanertips Selbst Gemachte Teppich Shampoo Losung June Cleav Homemade Carpet Shampoo Carpet Shampoo Solution Carpet Cleaners

Homemade Carpet Shampoo Solution June Cleaver St Century Style Carpetcleanertips Selbst Gemachte Teppich Shampoo Losung June Cleav Homemade Carpet Shampoo Carpet Shampoo Solution Carpet Cleaners

Bissell Little Green 1400 7 Electric Wiring Diagram Honda Accord Coupe 2013 And How To Use Honda Wiring Diagrams To Training Module Trailer In 2020 Honda Accord Honda Honda Civic

Electric Wiring Diagram Honda Accord Coupe 2013 And How To Use Honda Wiring Diagrams To Training Module Trailer In 2020 Honda Accord Honda Honda Civic

Bissell Little Green 1400 7 New Volkswagen Car Wiring Diagram Diagram Diagramtemplate Diagramsample Vw Super Beetle Diagram Design Volkswagen Car

New Volkswagen Car Wiring Diagram Diagram Diagramtemplate Diagramsample Vw Super Beetle Diagram Design Volkswagen Car

Bissell Little Green 1400 7 Aerogarden Ultra Model 100743 Blk Aerogarden Aerogarden Ebay Led

Aerogarden Ultra Model 100743 Blk Aerogarden Aerogarden Ebay Led

Bissell Little Green 1400 7 Relay Basics 101 Automotive Repair Automotive Electrical Relay

Relay Basics 101 Automotive Repair Automotive Electrical Relay

Bissell Little Green 1400 7 Activision Skylanders Smash Hit Superchargers Character Figure Ebay Skylanders Activision Supercharger

Activision Skylanders Smash Hit Superchargers Character Figure Ebay Skylanders Activision Supercharger

Bissell Little Green 1400 7 Gh Seal Good Housekeeping Mag Frixion Pens Pilot Pens Housekeeping

Gh Seal Good Housekeeping Mag Frixion Pens Pilot Pens Housekeeping

Bissell Little Green 1400 7 Shark Apex Duoclean Powered Lift Away Vacuum Upright Vacuums Shark Vacuum Vacuum Cleaner

Shark Apex Duoclean Powered Lift Away Vacuum Upright Vacuums Shark Vacuum Vacuum Cleaner

Bissell Little Green 1400 7 Diagrama De Carburador Nissan Sunny Nissan

Diagrama De Carburador Nissan Sunny Nissan

Bissell Little Green 1400 7 19 Adorable Upholstery Automotive Ideas Carpet Washers Cleaning Upholstery Carpet Cleaning Solution

19 Adorable Upholstery Automotive Ideas Carpet Washers Cleaning Upholstery Carpet Cleaning Solution

Bissell Little Green 1400 7 A Kriesler Duplex Portable Radio Model 21 Vintage Radio Portable Radio Radio

A Kriesler Duplex Portable Radio Model 21 Vintage Radio Portable Radio Radio

Bissell Little Green 1400 7 Showstopping Bathroom Tiles Dream Bathrooms Bathrooms Remodel Bathroom Design

Showstopping Bathroom Tiles Dream Bathrooms Bathrooms Remodel Bathroom Design

Bissell Little Green 1400 7 Another Great Find On Zulily Refurbished Ball Animal Canister Vacuum Zulilyfinds In 2020 Natural Carpet Cleaning Carpet Cleaning Pet Stains Green Carpet Cleaning

Another Great Find On Zulily Refurbished Ball Animal Canister Vacuum Zulilyfinds In 2020 Natural Carpet Cleaning Carpet Cleaning Pet Stains Green Carpet Cleaning

Bissell Little Green 1400 7 A Beautiful Siding Choice Alaskan Yellow Cedar Sidewall Shingles Cedar Shingles Shingle Siding Cedar

A Beautiful Siding Choice Alaskan Yellow Cedar Sidewall Shingles Cedar Shingles Shingle Siding Cedar

Related post Bissell little green 1400 7: